
OVERALL ELECTRICAL WIRING DIAGRAM
(Cont. next page)
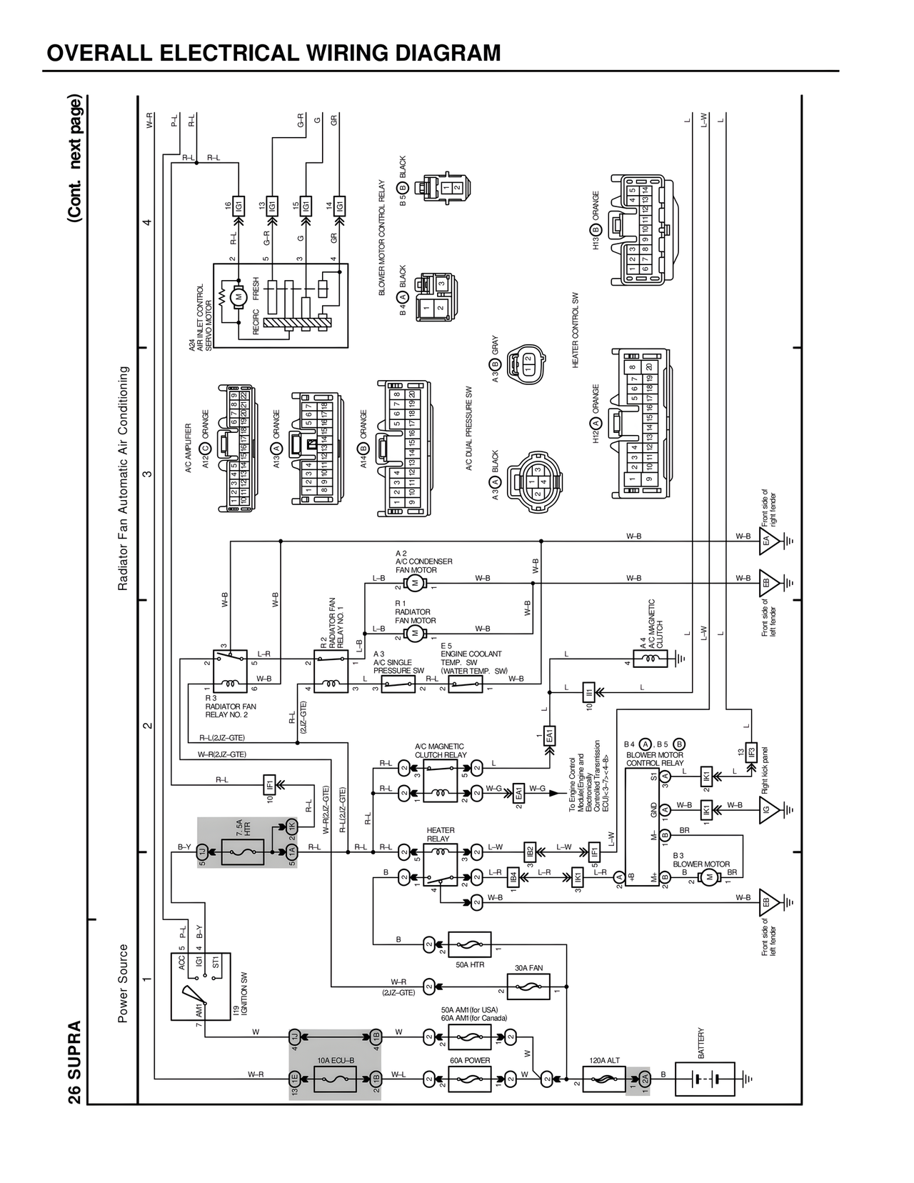
Radiator Fan Automatic Air Conditioning
26 SUPRA
Power Source
W-R
R-L
R-L
G-R
GR
16
15
15
16
G5
R-L
G-R
G
GR
A24
INLET CONTROL
SERVO MOTOR
RECIRC
FRESH
5
BLOWER MOTOR CONTROL RELAY
B- BLACK
B- BLACK
A-C AMPLIFIER
ORANGE
A12
ORANGE
A13
ORANGE
A14
ORANGE
A-C DUAL PRESSURE SW
A-3 BLACK
GRAY
A-3
HEATER CONTROL SW
H16 ORANGE
H12 ORANGE
W-B
Front side of right fender
W-B
Front side of left fender
A 2
A/C CONDENSER FAN MOTOR
L-B
W-B
R 1
RADIATOR FAN MOTOR
L-B
W-B
R2-1
RADIATOR FAN RELAY NO. 1
(2JZ-GTE)
L-B
E 5
ENGINE COOLANT TEMP. SW
(WATER TEMP. SW)
A 3
A/C SINGLE PRESSURE SW
R-L
W-B
A-4
A/C MAGNETIC CLUTCH
L-W
R 3
RADIATOR FAN RELAY NO. 2
W-B
L-R
W-B
R-L(2JZ-GTE)
W-R(2JZ-GTE)
R-L
A/C MAGNETIC CLUTCH RELAY
R-L
R-L
W-G
W-G
To Engine Control Module/Engine and Transmission Control
ECU-5-3-12-4-85
B-Y
2.5A HTR
50
R-L
HEATER RELAY
R-L
L-W
L-W
L-R
L-R
B
W-B
B 4
B 5
BLOWER MOTOR CONTROL RELAY
S1
GND
W-B
Right kick panel
B 3
BLOWER MOTOR
BR
W-B
Front side of left fender
ACC 5
IG1 4
ST1
IGNITION SW
119
7 AM1
W
B
50A HTR
30A FAN
W-R
(2JZ-GTE)
10A ECU-B
W
50A AM1 (for USA)
60A AM1 (for Canada)
60A POWER
W-L
120A ALT
BATTERY
W-B
B
W-R
2W
13W