
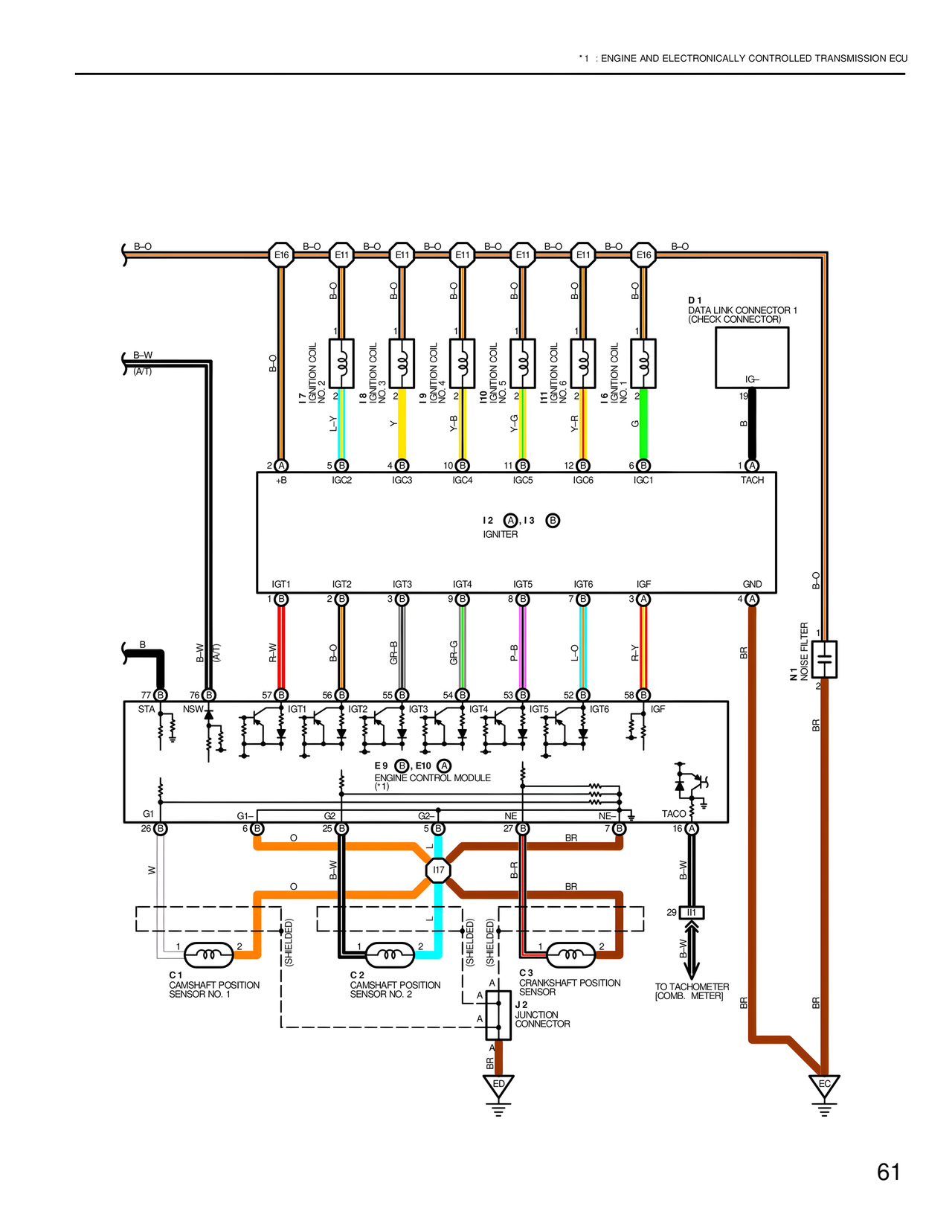
*1 : ENGINE AND ELECTRONICALLY CONTROLLED TRANSMISSION ECU
B-O
E16 E11 E11 E11 E11 E11 E16
B-O B-O B-O B-O B-O B-O B-O
B-W
(A/1)
B-O B-O B-O B-O B-O B-O B-O
I7 I8 I9 I10 I11 I6
IGNITION IGNITION IGNITION IGNITION IGNITION IGNITION
COIL COIL COIL COIL COIL COIL
NO. 3 NO. 4 NO. 3 NO. 4 NO. 6 NO. 1
L-Y Y-Y Y-B Y-G Y-R G
2 A 5 B 4 B 10 B 11 B 12 B 6 B 1 A
+B IGC2 IGC3 IGC4 IGC5 IGC6 IGC1 TACH
I2 A , I3 B
IGNITER
IGT1 IGT2 IGT3 IGT4 IGT5 IGT6 IGF GND
B B B B B B A A
1 2 3 8 8 7 3 4
B R-W B-O GR-B GR-G P-B L-O R-Y
B-W
(A/1)
77 B 76 B 57 B 56 B 55 B 54 B 53 B 52 B 58 B
STA NSW- IGT1 IGT2 IGT3 IGT4 IGT5 IGT6 IGF
E9 B , E10 A
ENGINE CONTROL MODULE
(*1)
G1- G2 G2- NE NE-
26 B 6 B 25 B 5 B 27 B 7 B
G1 O B-W L B-R BR
I17
O B-W B-R
(SHIELDED) (SHIELDED)
1 2 1 2 1 2
C1 C2 C3
CAMSHAFT CAMSHAFT CRANKSHAFT
POSITION POSITION POSITION
SENSOR NO. 1 SENSOR NO. 2 SENSOR
A
A
J2
JUNCTION
CONNECTOR
BR
ED
D1
DATA LINK CONNECTOR 1
(CHECK CONNECTOR)
IG-
19
B
1 A
N1
NOISE FILTER
1
2
BR
TACO
16 A
B-W
29 I11
B-W
TO TACHOMETER
[COMB. METER]
BR
EC
B-O
BR
61